Zum Hauptinhalt springen Zur Suche springen Zur Hauptnavigation springen

Geberit Wand-WC-Element Kombifix BH 82 cm mit Omega UP-Spülkasten

"Geberit Wand-WC-Element Kombifix BH 82 cm mit Omega UP-Spülkasten"

Geberit Wand-WC-Element Kombifix BH 82 cm – Mit Omega Unterputz-Spülkasten und 2-Mengen-Spülung

Das Geberit Wand-WC-Element Kombifix BH 82 cm ist eine kompakte und flexible Lösung für den Einbau in teilhohe Vorwandinstallationen und gemauerte Wände. Es ist speziell für Wand-WCs mit Anschlussmaßen nach DIN EN 33:2011-11 konzipiert und bietet eine effiziente 2-Mengen-Spülung.

Effiziente 2-Mengen-Spülung und AquaClean-Kompatibilität

Der integrierte Omega Unterputz-Spülkasten ist schwitzwassergedämmt und unterstützt die Betätigung von oben oder vorne. Dank der werkseitigen Einstellung ist ein sofortiges Nachspülen möglich. Außerdem ist das WC-Element mit einem Leerrohr für den Wasseranschluss für AquaClean Dusch-WCs ausgestattet, sodass eine spätere Nachrüstung problemlos möglich ist.

Werkzeuglose Montage und einfache Instandhaltung

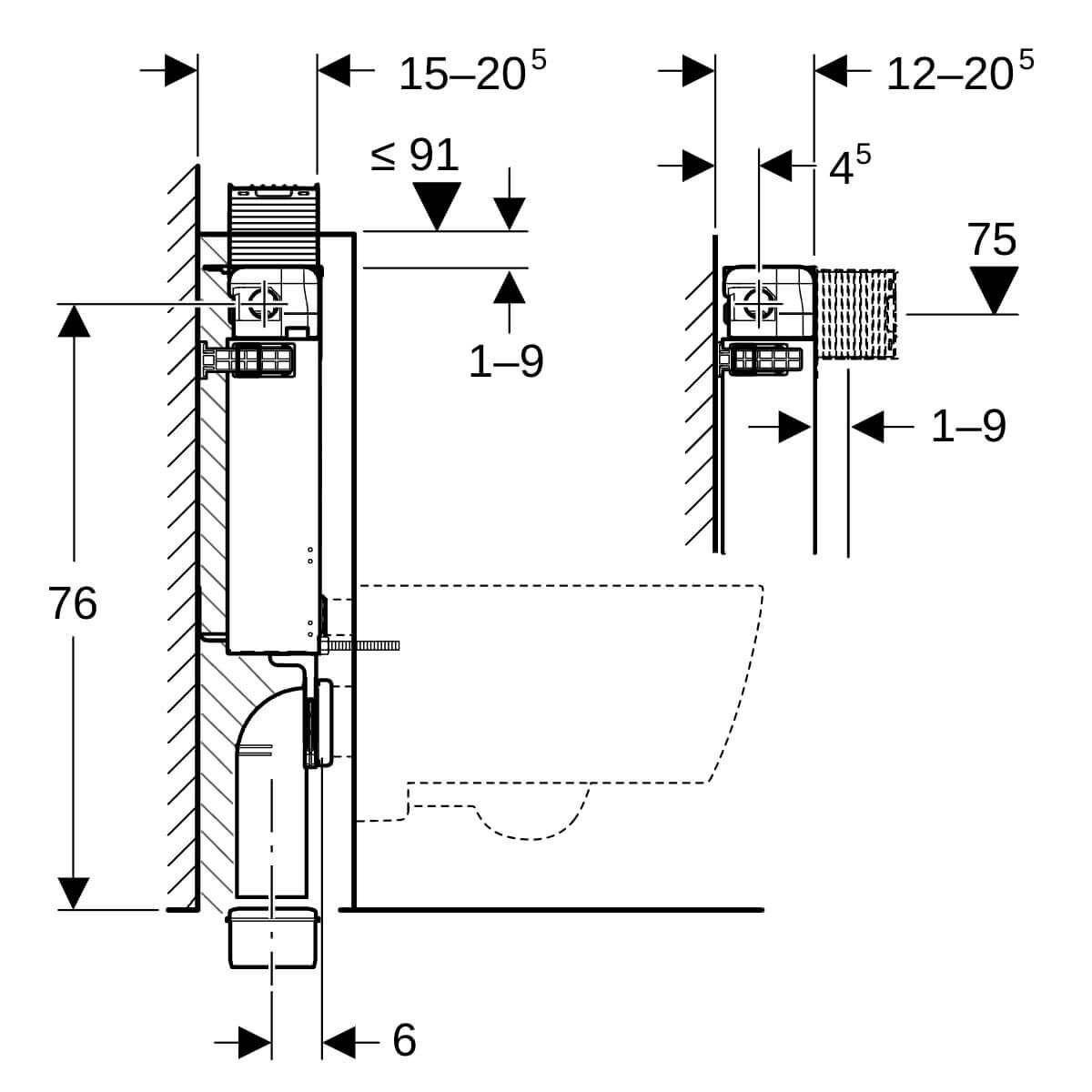
Der Montagerahmen ist pulverbeschichtet und mit vier Befestigungswinkeln ausgestattet, wodurch er eine stabile Installation gewährleistet. Der Anschlussbogen und das Eckventil lassen sich werkzeuglos montieren, was die Installation und spätere Instandhaltungsarbeiten deutlich vereinfacht. Der Bauschutz für die Serviceöffnung schützt die Komponenten vor Feuchtigkeit und Schmutz und ist problemlos ablängbar.

Produktdetails und Vorteile im Überblick:

  • 2-Mengen-Spülung: Sparsamer Wasserverbrauch dank einstellbarer Spülmengen.
  • Omega Unterputz-Spülkasten: Schwitzwassergedämmt, mit Betätigung von vorne oder oben.
  • AquaClean-kompatibel: Vorbereitet für den Anschluss von AquaClean Dusch-WCs.
  • Werkzeuglose Montage: Einfache Installation von Anschlussbogen und Eckventil.
  • Stabile Befestigung: Montagerahmen mit vier Befestigungswinkeln für hohe Stabilität.
  • Schallschutzset inklusive: Schallentkoppelte Installation für ruhigen Betrieb.

Bestellen Sie das Geberit Wand-WC-Element Kombifix BH 82 cm jetzt online und profitieren Sie von schneller Lieferung und bequemer Zahlung auf Rechnung!

Marke: Geberit
Produktklasse: WC-Modul mit Spülkasten
Serie: Kombifix
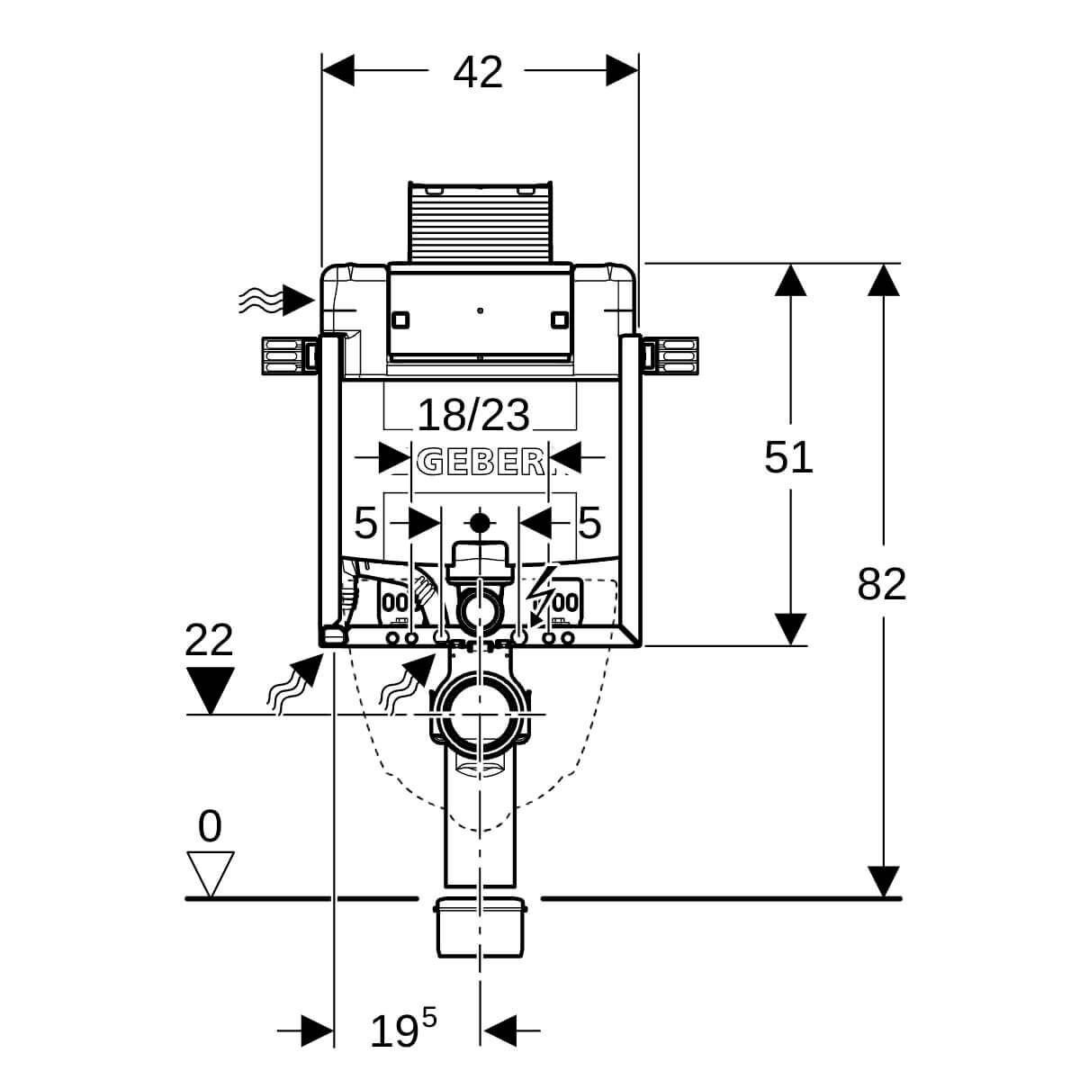
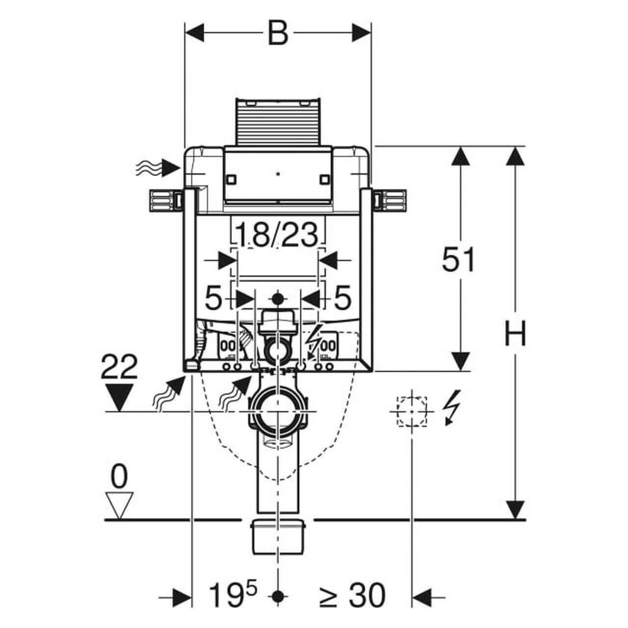
Höhe: 820 mm
Tiefe: 120 mm
Breite: 420 mm
Ean: 4025416301707
Material: Kunststoff
Material Spülkasten: Kunststoff
Toilettenhöhe verstellbar: nein
Höhenverstellbar: nein
Tiefenverstellbar: ja
Rohraußendurchmesser Abflussrohr: 90 mm
Mit Abflussbogen: ja
Mit Halterung geeignet für für hohe Wandmontage: nein
Mittenabstand WC-Befestigung: 18 cm und 23 cm
Geeignet für Dusch-WC: ja
Geeignet für Installationswand (Systemwand): ja
Geeignet für Leichtbauwand (Trockenbau): nein
Geeignet für Massivwand (Nassbau): ja
Geeignet für elektrische Bedienung: ja
Geeignet für pneumatische Bedienung: ja
Abmessung Anschluss Leitungswasser: 1/2 Zoll
Anschluss Leitungswasser: Außengewinde
Einstellbare Spülwassermenge: nein
Oberflächenschutz: unbehandelt
Selbsttragende Konstruktion: nein
Spülung: Zwei Mengen
Spülvolumen: 2 - 7,5 l
UBA-Positivliste: ja

Geberit Vertriebs GmbH
Theuerbachstraße 1
88630 Pfullendorf
service.de@geberit.com

Produktgalerie überspringen

Weitere ausgewählte Artikel für Sie

Geberit Wand-WC-Element Kombifix BH 108 cm mit Sigma UP-Spülkasten (110300005)
Geberit Wand-WC-Element Kombifix BH 108 cm mit Sigma UP-Spülkasten
Produkt-Nr.: 110300005
EAN: 4025416733881

Stück 196,16 *
404,62 €* UVP

Versandkostenfrei

Sofort verfügbar, Lieferzeit: Paketversand 1-3 Werktage

Geberit Schallschutzset Kombifix für Wand-WC/Bidet PE-E Weiß (156050001)
Geberit Schallschutzset Kombifix für Wand-WC/Bidet PE-E weiß
Produkt-Nr.: 156050001
EAN: 4025416024118

Stück 15,41 *
22,27 €* UVP

Versandkostenfrei

Sofort verfügbar, Lieferzeit: Paketversand 1-3 Werktage

Geberit Fußstützen Kombifix für Wand-WC/Bidet 2 Stück verzinkt (457888261)
Geberit Fußstützen Kombifix für Wand-WC/Bidet 2 Stück verzinkt
Produkt-Nr.: 457888261
EAN: 4025416040255

Inhalt: 2 Stück (16,46 €* / 1 Stück)

Stück 32,92 *
61,31 €* UVP

Versandkostenfrei

Sofort verfügbar, Lieferzeit: Paketversand 1-3 Werktage

Geberit Bidet-Element Kombifix für Standarmatur (457530001)
Geberit Bidet-Element Kombifix für Standarmatur
Produkt-Nr.: 457530001
EAN: 4025416500865

Stück 150,77 *
328,34 €* UVP

Versandkostenfrei

Versandfertig in 15 Tagen zzgl. Lieferzeit Paketversand 1-3 Werktage

Geberit Wand-WC-Element Duofix BH 112 cm barrierefrei mit Sigma UP-Spülkasten (111375005)
Geberit Wand-WC-Element Duofix BH 112 cm barrierefrei mit Sigma UP-Spülkasten
Produkt-Nr.: 111375005
EAN: 4025416753100

Stück 529,12 *
1.229,12 €* UVP

Versandkostenfrei

Versandfertig in 15 Tagen zzgl. Lieferzeit Spedition 3-7 Werktage